Каменка (Зоопарк)

Модератор: Nomernoy

Ответить
Аватара пользователя
в40
Профессионал
Профессионал
Сообщения: 14816
Зарегистрирован: 05 фев 2009, 19:46
Станция метро: Проспект Большевиков
Откуда: Дачное

Re: Каменка (Зоопарк)

Сообщение в40 »

Реальные работы относятся к сооружению тоннеля, на что получено заключение Главгосэкспертизы.
Вспомнилось :D

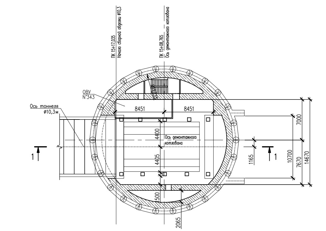
Я тут обратил внимание на два интересных "аппендикса" у ограждающей конструкции демонтажного котлована. Похоже, что на перспективу продления линии за "Каменку" ЛМГТ учел возможность сооружения как двухпутного тоннеля, так и двух однопутных. В этом случае к "аппендиксам" будет примыкать ограждающая конструкция котлована раструба.
Вложения
Перспектива.png
О=О=О=О=О=О=О=О=О=О=О=О=О=О=О=О=О=О=О
Аватара пользователя
mx
Профессионал
Профессионал
Сообщения: 4137
Зарегистрирован: 14 сен 2005, 21:32
Станция метро: -------
Откуда: 59`50N 30`25E

Re: Каменка (Зоопарк)

Сообщение mx »

В проекте о таком не упоминается. "Аппендиксы" - это просто два каркаса СВГ, расстояние между ними 10700, весь этот сектор армирован композитом и сделана цементация на 15 метров. То есть как раз для входа большого щита, а эти выступы - направляющие, чтобы он не ушёл в сторону во время пролома стены. И обозначается эта зона на чертеже как "Вход 2" (с противоположной соответственно "Вход 1").
Всё потому, что кто-то слишком много ест!
Аватара пользователя
в40
Профессионал
Профессионал
Сообщения: 14816
Зарегистрирован: 05 фев 2009, 19:46
Станция метро: Проспект Большевиков
Откуда: Дачное

Re: Каменка (Зоопарк)

Сообщение в40 »

Не аргумент. Ведь для входа щита в демонтажный котлован со стороны "Каменки" направляющих стен нет.
О=О=О=О=О=О=О=О=О=О=О=О=О=О=О=О=О=О=О
Аватара пользователя
mx
Профессионал
Профессионал
Сообщения: 4137
Зарегистрирован: 14 сен 2005, 21:32
Станция метро: -------
Откуда: 59`50N 30`25E

Re: Каменка (Зоопарк)

Сообщение mx »

Могу сказать почему. Со стороны "Каменки" щит проломит только СВГ, на этом месте не будет постоянной внутренней бетонной "рубашки". А вот с противоположной стороны она будет, поскольку неясно когда щит придёт с той стороны (да и придёт ли когда-нибудь вообще). Соответственно проламывать придётся гораздо более толстую конструкцию.
Вложения
Демонтажка.jpg
Всё потому, что кто-то слишком много ест!
Аватара пользователя
в40
Профессионал
Профессионал
Сообщения: 14816
Зарегистрирован: 05 фев 2009, 19:46
Станция метро: Проспект Большевиков
Откуда: Дачное

Re: Каменка (Зоопарк)

Сообщение в40 »

Постоянная обделка демонтажного котлована должна быть сооружена до ввода в него щита со стороны "Каменки". В противном случае сбойка может пойти не по плану (если большие фрагменты захваток СВГ будут выломаны ротором и произойдёт вынос грунта).
Либо придётся сначала вводить в котлован щит и только потом начинать разрабатывать в нём грунт в стеснённых условиях. Но тогда это противоречит технологии демонтажа щита: одна из продольных стен в котловане нужна для рельсового пути портального крана, а она не может висеть в воздухе, - она должна иметь надёжную связь с постоянной обделкой котлована и опирание на его днище, которые нельзя соорудить, пока не будет демонтирован щит.
Что касается проламывания толстой конструкции с другой стороны, - захватки СВГ с противоположной стороны могут быть сделаны с армированием стеклопластиковой арматурой, а "очко" - забетонировано низкомарочным бетоном (В7.5 - В15).
О=О=О=О=О=О=О=О=О=О=О=О=О=О=О=О=О=О=О
Аватара пользователя
mx
Профессионал
Профессионал
Сообщения: 4137
Зарегистрирован: 14 сен 2005, 21:32
Станция метро: -------
Откуда: 59`50N 30`25E

Re: Каменка (Зоопарк)

Сообщение mx »

Чего гадать, в проекте всё написано. Будет так как сказал выше. Ну и естественно никакой ССВ на "Шуваловский" не будет и вообще никакого путевого развития не будет окромя перекрёстного съезда между главными путями.
Всё потому, что кто-то слишком много ест!
Аватара пользователя
в40
Профессионал
Профессионал
Сообщения: 14816
Зарегистрирован: 05 фев 2009, 19:46
Станция метро: Проспект Большевиков
Откуда: Дачное

Re: Каменка (Зоопарк)

Сообщение в40 »

mx писал(а): 02 окт 2024, 12:02 Чего гадать, в проекте всё написано. Будет так как сказал выше...
Посмотрим.
mx писал(а): 02 окт 2024, 12:02 Ну и естественно никакой ССВ на "Шуваловский" не будет и вообще никакого путевого развития не будет окромя перекрёстного съезда между главными путями.
В дальней перспективе, если за демонтажным котлованом будут строиться два однопутных тоннеля, то можно выполнить примыкание ССВ к раструбу. А для двухпутного тоннеля потребуется дополнительное сооружение трапециевидного котлована для ответвления вбок.
О=О=О=О=О=О=О=О=О=О=О=О=О=О=О=О=О=О=О
Andrei
Сообщения: 149
Зарегистрирован: 02 июн 2007, 15:58
Станция метро: Достоевская

Re: Каменка (Зоопарк)

Сообщение Andrei »

что такое СВГ?
Чау-чау
Сообщения: 2589
Зарегистрирован: 26 ноя 2011, 19:20
Станция метро: Шкиперская

Re: Каменка (Зоопарк)

Сообщение Чау-чау »

Cтена в грунте.
Аватара пользователя
ButanAnim
Сообщения: 225
Зарегистрирован: 21 сен 2024, 15:49
Станция метро: Театральная
telegram: https://t.me/Baltsiets

Re: Каменка (Зоопарк)

Сообщение ButanAnim »

Если что, я кину тггда в данный форум рендеры станции Каменка. Лично вам нравитсч данный дизайн? Я скажу так - да, прикольно выглядит, но я не хочу чтобы все потом выглядело как в Москве - неровный кусок пластика и светодиоды.
Вложения
kamenka7.jpg
kamenka5.jpg
kamenka6.jpg
kamenka3.jpg
kamenka2.jpg
kamenka4.jpg
kamenka1.jpg
Жду когда эти черти откроют Театральную.
Чау-чау
Сообщения: 2589
Зарегистрирован: 26 ноя 2011, 19:20
Станция метро: Шкиперская

Re: Каменка (Зоопарк)

Сообщение Чау-чау »

Аватара пользователя
GelezinisVilkas
Сообщения: 3658
Зарегистрирован: 15 май 2015, 12:19
Станция метро: Дунайская

Re: Каменка (Зоопарк)

Сообщение GelezinisVilkas »

ButanAnim писал(а): 01 ноя 2024, 01:54 Лично вам нравитсч данный дизайн?
Убого до безобразия. Не сочетаемое с не сочетаемым. Пластик и кирпич. Гнутые линии и прямые углы. За такое надо выгонять не только с работы, а из профессии в принципе.
:twisted:
Аватара пользователя
в40
Профессионал
Профессионал
Сообщения: 14816
Зарегистрирован: 05 фев 2009, 19:46
Станция метро: Проспект Большевиков
Откуда: Дачное

Re: Каменка (Зоопарк)

Сообщение в40 »

Согласен. Если под этими картинками написать, что это интерьеры ТК "Каменка", то никто и не поймёт, что это интерьеры станции метро.
О=О=О=О=О=О=О=О=О=О=О=О=О=О=О=О=О=О=О
Аватара пользователя
Иван Волков
Сообщения: 644
Зарегистрирован: 11 фев 2006, 16:41
Станция метро: Дунайская

Re: Каменка (Зоопарк)

Сообщение Иван Волков »

Абсолютно не в моём вкусе. Не похоже на станцию метро.
Адмирал
Сообщения: 2267
Зарегистрирован: 07 окт 2014, 21:16
Станция метро: Юго-Западная
Откуда: Санкт-Петербург

Re: Каменка (Зоопарк)

Сообщение Адмирал »

Какой-то мавзолей, что сверху, что снизу. Часы стильные, но колонны между станционными дверями вносят некую несуразицу.
И кирпич не очень в тему, всё же здесь не Лондон.
Ответить

Вернуться в «Строительство и проектирование»