Горный институт (проектное название "Большой проспект")
Модератор: Nomernoy
- Carolus Magnus
- Сообщения: 578
- Зарегистрирован: 08 дек 2004, 11:10
- Станция метро: Гражданский Проспект
- Откуда: Санкт-Петербург
Re: Горный институт (проектное название "Большой проспект")
В реальности техзадание пишут сами проектировщики. Потому что заказчик ничего не понимает в профессиональной сфере проектировщика.
			
			
									
						
							1955 - 2005!!!
Поздравляю с юбилеем!
Ура, товарищи!
2010 - год убийства Ленинградского Метрополитена.
Что год грядущий нам готовит? В ожидании 2015-го...
2020-й. Следующая станция - Театральная?
Догоним и перегоним! Даёшь 85 станций к 2025-му!
			
						Поздравляю с юбилеем!
Ура, товарищи!
2010 - год убийства Ленинградского Метрополитена.
Что год грядущий нам готовит? В ожидании 2015-го...
2020-й. Следующая станция - Театральная?
Догоним и перегоним! Даёшь 85 станций к 2025-му!
- Михаил
- Сообщения: 4333
- Зарегистрирован: 17 май 2004, 10:20
- Станция метро: Лиговский Проспект-2
- Откуда: Питер
Re: Горный институт (проектное название "Большой проспект")
Как правило у Заказчика есть свое инженерное бюро, которое и подготавливает тех.задание.
			
			
									
						
										
						- в40
- Профессионал 
- Сообщения: 14772
- Зарегистрирован: 05 фев 2009, 19:46
- Станция метро: Проспект Большевиков
- Откуда: Дачное
Re: Горный институт (проектное название "Большой проспект")
Михаил К писал(а):Не в деньгах дело, а в том что Шкиперская по новой схеме развития отложена на минимум 2031 год.
За последние 7 лет перспективную схему развития метрополитена корректировали уже три раза. Не удивлюсь, если через пару лет произойдёт очередная корректировка, на которой "Шкиперская" с "Морским фасадом" (под натиском девелоперов) на схеме поменяют свой цвет.
О=О=О=О=О=О=О=О=О=О=О=О=О=О=О=О=О=О=О
			
						- в40
- Профессионал 
- Сообщения: 14772
- Зарегистрирован: 05 фев 2009, 19:46
- Станция метро: Проспект Большевиков
- Откуда: Дачное
Re: Горный институт (проектное название "Большой проспект")
Михаил писал(а):Как правило у Заказчика есть свое инженерное бюро, которое и подготавливает тех.задание.
Насколько мне известно, техзадание всегда составляли службы метрополитена (по принадлежности).
О=О=О=О=О=О=О=О=О=О=О=О=О=О=О=О=О=О=О
			
						- Михаил
- Сообщения: 4333
- Зарегистрирован: 17 май 2004, 10:20
- Станция метро: Лиговский Проспект-2
- Откуда: Питер
Re: Горный институт (проектное название "Большой проспект")
В данном случае метрополитен пишет, если я не ошибаюсь, техническую часть. Всякую мишуру - расценки, трудозатраты, кадастровые дела и прочее должен вписывать в тех.задание заказчик на основе проведенных ранее изысканий и предпроектных работ с применением поправочных коэффициентов. Возможно и эти разделы крти скидывает на метрополитен, предоставляя значительную часть данных.
			
			
									
						
										
						- karhu
- Сообщения: 3938
- Зарегистрирован: 31 дек 2008, 19:14
- Станция метро: Василеостровская
- Откуда: Санкт-Петербург
Re: Горный институт (проектное название "Большой проспект")
Щит 8 числа пошёл в сторону 571.
Пока не очень быстро.
			
			
									
						
							Пока не очень быстро.
"Ключик на 60 дайте, пожалуйста".
			
						- в40
- Профессионал 
- Сообщения: 14772
- Зарегистрирован: 05 фев 2009, 19:46
- Станция метро: Проспект Большевиков
- Откуда: Дачное
Re: Горный институт (проектное название "Большой проспект")
Стало быть, ему сейчас до границы станции осталось - всего несколько десятков метров. А далее - проходка пилот-тоннеля через Левый станционный, группу камер съезда и около километра Левого тупика.
Работы ему ещё примерно на 5 месяцев.
Далее - 2,5 месяца на сооружение разгружающего свода и демонтаж щита.
Выходит, что в феврале 2019 щит может отправиться на другую шахту.
			
			
									
						
							Работы ему ещё примерно на 5 месяцев.
Далее - 2,5 месяца на сооружение разгружающего свода и демонтаж щита.
Выходит, что в феврале 2019 щит может отправиться на другую шахту.
О=О=О=О=О=О=О=О=О=О=О=О=О=О=О=О=О=О=О
			
						- karhu
- Сообщения: 3938
- Зарегистрирован: 31 дек 2008, 19:14
- Станция метро: Василеостровская
- Откуда: Санкт-Петербург
Re: Горный институт (проектное название "Большой проспект")
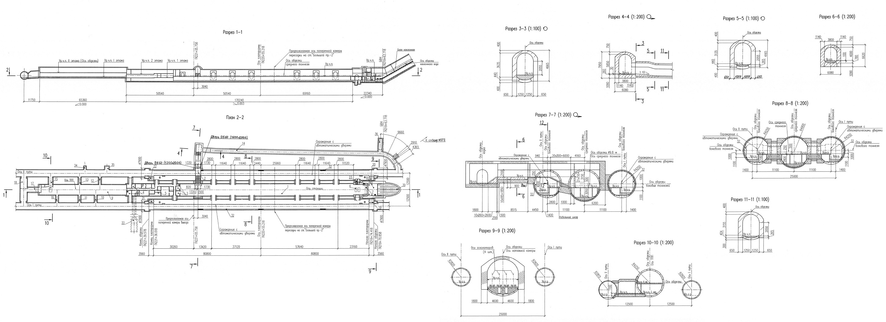
А были ли здесь эти схемы?
Хочу обратить внимание на нетипичные для Пилонников последнего 20-тилетия конструкций проёмов.
http://zakupki.gov.ru/epz/order/notice/ ... 2515000034
			
							
			
									
						
							Хочу обратить внимание на нетипичные для Пилонников последнего 20-тилетия конструкций проёмов.
http://zakupki.gov.ru/epz/order/notice/ ... 2515000034
"Ключик на 60 дайте, пожалуйста".
			
						- Иван Волков
- Сообщения: 616
- Зарегистрирован: 11 фев 2006, 16:41
- Станция метро: Дунайская
Re: Горный институт (проектное название "Большой проспект")
Обратил внимание, что на чертежах стены с дверями есть, а на рендерах - нет. Так поставят это уродство или обойдутся без него?
			
			
									
						
										
						- 
				lembas_kun
- Сообщения: 112
- Зарегистрирован: 01 янв 2007, 04:37
- Откуда: оз.Долгое
Re: Горный институт (проектное название "Большой проспект")
А что за маленькие лестницы в вестибюле? Зачем они? Можно без них?
			
			
									
						
										
						- Ignat
- Сообщения: 431
- Зарегистрирован: 28 окт 2010, 02:29
- last_fm: Ta6ypeTKo
- Станция метро: Большеохтинская
- Контактная информация:
Re: Горный институт (проектное название "Большой проспект")
Никак нельзя! Более того, лестницы совсем не маленькие, от уровня эскалаторного зала придется подняться по двум лестницам на целых 4 метра до уровня кассового зала, чтоб уже потом выйти в подземный переход...
			
			
									
						
										
						- karhu
- Сообщения: 3938
- Зарегистрирован: 31 дек 2008, 19:14
- Станция метро: Василеостровская
- Откуда: Санкт-Петербург
Re: Горный институт (проектное название "Большой проспект")
Ignat, привет, а ты в курсе почему различаются конструкции рам проёмов на Театральной и Горном.
			
			
									
						
							"Ключик на 60 дайте, пожалуйста".
			
						- 
				Санёк
- Сообщения: 117
- Зарегистрирован: 04 ноя 2014, 00:38
- Станция метро: Проспект Славы
Re: Горный институт (проектное название "Большой проспект")
Ignat писал(а):...от уровня эскалаторного зала придется подняться по двум лестницам на целых 4 метра до уровня кассового зала...
 Замечательно!!!  На турникете, вдруг, выяснилось, что кончились деньги на карте - добро божаловать наверх. Это хорошо, если лифт будет работать, а так по лесенке.
 Замечательно!!!  На турникете, вдруг, выяснилось, что кончились деньги на карте - добро божаловать наверх. Это хорошо, если лифт будет работать, а так по лесенке.lembas_kun писал(а):А что за маленькие лестницы в вестибюле? Зачем они? Можно без них?
Это те, что перед турникетами с пятью ступеньками?
Да, зачем они? Что мешало сделать одним маршем?
- в40
- Профессионал 
- Сообщения: 14772
- Зарегистрирован: 05 фев 2009, 19:46
- Станция метро: Проспект Большевиков
- Откуда: Дачное
Re: Горный институт (проектное название "Большой проспект")
Санёк писал(а):Зечательно!!! На турникете, вдруг, выяснилось, что кончились деньги на карте - добро божаловать наверх. Это хорошо, если лифт будет работать, а так по лесенке
Не знаю, как Вы поступаете в данной ситуации, но при малейшем сомнении в наличии средств на Подорожнике (или сроке действия проездного), прежде, чем идти к линейке турникетов я проверяю его рядом с кассами. Именно по той самой причине - чтобы потом не возвращаться назад.
Но в целом, согласен с Вами, - планировочное решение вестибюля вызывает много вопросов.
О=О=О=О=О=О=О=О=О=О=О=О=О=О=О=О=О=О=О
			
						- 
				Санёк
- Сообщения: 117
- Зарегистрирован: 04 ноя 2014, 00:38
- Станция метро: Проспект Славы
Re: Горный институт (проектное название "Большой проспект")
Ситуация может возникнуть по оплате с багажом. Ведь турникмены  разные бывают, одни пропустят, другие нет.
 разные бывают, одни пропустят, другие нет.
			
			
									
						
										
						 разные бывают, одни пропустят, другие нет.
 разные бывают, одни пропустят, другие нет.




